| Customization: | Available |
|---|---|
| Structure: | Single End |
| Pressure: | High Pressure Mechanical Seals |
| Availability: | |
|---|---|
| Quantity: | |
(1)Features
With the EgleBergman TS5000
thermosiphon system it is possible to
supply buffer/barrier fluid to double and
tandem mechanical seals for a broad
range of applications. This range is
designed as a flanged version with a sight
glass for level monitoring and with cooling
coil. TS vessels are equipped as standard
with all the necessary system connections
and brackets. The modular system allows
the TS5000 vessels to be combined with a
wide range of system components such as,
level switch, circulation pump, hand refill
pump, thermometer, base frame, etc.
Circulation in accordance with API 682/
ISO 21 049: Plan 52, Plan 53A
(2)Advantages
• Vessel can be dismantled: for optimum and simple cleaning of the vessel interior
• Suitable for a wide range of demanding operating conditions: TS5000 up to 30 bar/200 °C
• Sockets with recessed gasket: no contamination of the circuit by thread sealant
• Modular system: combination with a wide range of system components possible
• Vessel made of 1.4571 stainless steel/borosilicate sight-glasses: suitable for universal applications
(3)Functional description
The TS system performs all the basic
functions of a buffer/barrier system for the
operation of double seals:
• to pressurize the buffer/barrier chamber
• leakage compensation
• buffer/barrier fluid is circulated by thermosiphon effect or forced circulation system
• to cool the seal
• to selectively absorb product leakage and prevent dry running (tandem arrangement)
Use compressed air or nitrogen for pressurization.
(4)Standards and approvals
• PED 97/23 EC (Design and production in accordance with EU Pressure Equipment Directive)
(5)Recommended applications
• Chemical industry
• Petrochemical industry
• Oil and gas industry
• Refining technolo
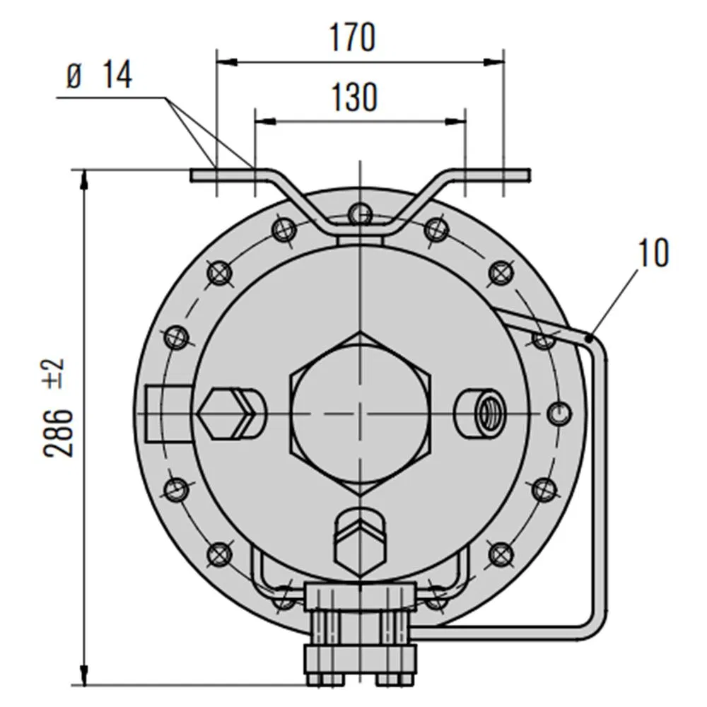
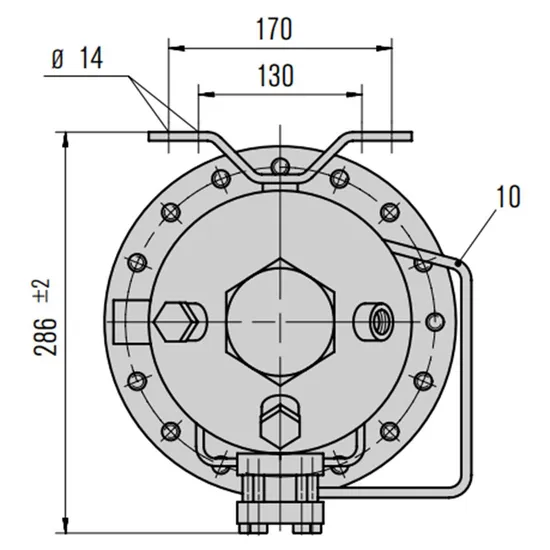
(6)Item Description
1 Buffer/barrier fluid IN (G1/2")
2 Buffer/barrier fluid OUT (G1/2")
3 Cooling water IN (G1/2")
4 Cooling water OUT (G1/2")
5 Filling connection with plug (G1/2")
6 Pressure gas connection (G1/2")
7 Connection for level switch or level indicator (G2")
8 Connection for refill unit (G1/8")
9 Universal connection (G1/2" for safety valve, flare, etc.)
10 Bracket for refill unit
11 Sight-glass
The TS vessel must always be installed
higher than the mechanical seal. The
buffer/barrier fluid flows via the return
pipe into the vessel and is cooled. The
exchange of fluid takes place by the
thermosiphon principle or by forced
circulation, e.g. with a pumping screw.
Connection pipes to the seal should be
designed with as little resistance as possible.
1 SPI
2 SPS
3 From PCV, we recommend using a reverse controlled pressure control
4 SPN
5 SPU
6 Mechanical seal
| Designation | TS5000 |
| Pressure Equipment Directive | PED |
| Integrated cooling coil | √ |
| Volume, vessel (liters) | 10 |
| Volume, tube (liters) | 0.5 |
| Allowable pressure1) | 30 bar (435 PSI) |
| Allowable temperature1) | -60 °C ... +200 °C (-76 °F ... +392 °F) |
| Working volume, MAX-MIN (liters) | 1.8 |
| Cooling capacity - without cooling water (kW)3) | 0.5 |
| Cooling capacity - natural circulation (kW)2) | 1.5 |
| Cooling capacity - forced circulation (kW)2) | 4 |
| Required cooling water quantity (m 3/h) | 0.4 |
| Metal parts | 1.4571 |
| Sight-glass | Reflex sight-glass Borosilicate |
| Seal | PTFE |
| Other versions on request. 1) Design data, permissible working values depend on the actual conditions of service 2) Guidelines with buffer/barrier fluid water 60 °C - cooling water 20 °C 3) Guidelines with buffer/barrier fluid water 60 °C - ambient temperature 20 °C (valid for thermosiphon systems without cooling water with natural circulation resp. forced circulation) | |
We have large stock, so our delivery is very fast.
For example,if products are standarded, the delivery time is one week.
Our company and factory addrss: Ningbo City, Zhejiang Province,China.
Our city has a large port and an airport, so its transportation is very convenient.
Question1: What are the prices of your products?
Answer: For each model, the unit price is listed on the website, but what is displayed on the website is only the average market price. For specific models, you can contact us for further consultation and negotiation.
Question 2: Are you a factory or a trade company?
Answer: We are a factory with top sales for the trade service.
Question 3: What is the minimum order quantity for each order?
Answer: For products of regular models, the minimum order quantity is at least five. We welcome you to test the quality of our products and services through placing trial orders. Looking forward to the long-term cooperation with you.
Question4: What is your company's service tenet?
Answer: Quality first, service upmost. We promises that if there is any problem with the quality of the product, or if the product is damaged during the transportation, our company will be responsible for compensation, regardless of the ordder turnover value.
Question5: Can I try to get a SAMPLE before the order?
Answer: Sure. Our company will provide you with samples for free, but you will have to pay for the international delivery (freight collect payment).
(1)Features
With the EgleBergman TS5000
thermosiphon system it is possible to
supply buffer/barrier fluid to double and
tandem mechanical seals for a broad
range of applications. This range is
designed as a flanged version with a sight
glass for level monitoring and with cooling
coil. TS vessels are equipped as standard
with all the necessary system connections
and brackets. The modular system allows
the TS5000 vessels to be combined with a
wide range of system components such as,
level switch, circulation pump, hand refill
pump, thermometer, base frame, etc.
Circulation in accordance with API 682/
ISO 21 049: Plan 52, Plan 53A
(2)Advantages
• Vessel can be dismantled: for optimum and simple cleaning of the vessel interior
• Suitable for a wide range of demanding operating conditions: TS5000 up to 30 bar/200 °C
• Sockets with recessed gasket: no contamination of the circuit by thread sealant
• Modular system: combination with a wide range of system components possible
• Vessel made of 1.4571 stainless steel/borosilicate sight-glasses: suitable for universal applications
(3)Functional description
The TS system performs all the basic
functions of a buffer/barrier system for the
operation of double seals:
• to pressurize the buffer/barrier chamber
• leakage compensation
• buffer/barrier fluid is circulated by thermosiphon effect or forced circulation system
• to cool the seal
• to selectively absorb product leakage and prevent dry running (tandem arrangement)
Use compressed air or nitrogen for pressurization.
(4)Standards and approvals
• PED 97/23 EC (Design and production in accordance with EU Pressure Equipment Directive)
(5)Recommended applications
• Chemical industry
• Petrochemical industry
• Oil and gas industry
• Refining technolo
(6)Item Description
1 Buffer/barrier fluid IN (G1/2")
2 Buffer/barrier fluid OUT (G1/2")
3 Cooling water IN (G1/2")
4 Cooling water OUT (G1/2")
5 Filling connection with plug (G1/2")
6 Pressure gas connection (G1/2")
7 Connection for level switch or level indicator (G2")
8 Connection for refill unit (G1/8")
9 Universal connection (G1/2" for safety valve, flare, etc.)
10 Bracket for refill unit
11 Sight-glass
The TS vessel must always be installed
higher than the mechanical seal. The
buffer/barrier fluid flows via the return
pipe into the vessel and is cooled. The
exchange of fluid takes place by the
thermosiphon principle or by forced
circulation, e.g. with a pumping screw.
Connection pipes to the seal should be
designed with as little resistance as possible.
1 SPI
2 SPS
3 From PCV, we recommend using a reverse controlled pressure control
4 SPN
5 SPU
6 Mechanical seal
| Designation | TS5000 |
| Pressure Equipment Directive | PED |
| Integrated cooling coil | √ |
| Volume, vessel (liters) | 10 |
| Volume, tube (liters) | 0.5 |
| Allowable pressure1) | 30 bar (435 PSI) |
| Allowable temperature1) | -60 °C ... +200 °C (-76 °F ... +392 °F) |
| Working volume, MAX-MIN (liters) | 1.8 |
| Cooling capacity - without cooling water (kW)3) | 0.5 |
| Cooling capacity - natural circulation (kW)2) | 1.5 |
| Cooling capacity - forced circulation (kW)2) | 4 |
| Required cooling water quantity (m 3/h) | 0.4 |
| Metal parts | 1.4571 |
| Sight-glass | Reflex sight-glass Borosilicate |
| Seal | PTFE |
| Other versions on request. 1) Design data, permissible working values depend on the actual conditions of service 2) Guidelines with buffer/barrier fluid water 60 °C - cooling water 20 °C 3) Guidelines with buffer/barrier fluid water 60 °C - ambient temperature 20 °C (valid for thermosiphon systems without cooling water with natural circulation resp. forced circulation) | |
We have large stock, so our delivery is very fast.
For example,if products are standarded, the delivery time is one week.
Our company and factory addrss: Ningbo City, Zhejiang Province,China.
Our city has a large port and an airport, so its transportation is very convenient.
Question1: What are the prices of your products?
Answer: For each model, the unit price is listed on the website, but what is displayed on the website is only the average market price. For specific models, you can contact us for further consultation and negotiation.
Question 2: Are you a factory or a trade company?
Answer: We are a factory with top sales for the trade service.
Question 3: What is the minimum order quantity for each order?
Answer: For products of regular models, the minimum order quantity is at least five. We welcome you to test the quality of our products and services through placing trial orders. Looking forward to the long-term cooperation with you.
Question4: What is your company's service tenet?
Answer: Quality first, service upmost. We promises that if there is any problem with the quality of the product, or if the product is damaged during the transportation, our company will be responsible for compensation, regardless of the ordder turnover value.
Question5: Can I try to get a SAMPLE before the order?
Answer: Sure. Our company will provide you with samples for free, but you will have to pay for the international delivery (freight collect payment).